Edelstahl-Greiferkette eines von spezielle Ketten. Es wird beim Verpacken verwendet
industrie. Es verwenden edelstahl material. Die wichtigsten standardgröße ist 08B-1SS,
08B-2SS,10B-1SS and 10B-2SS.
1.Reliable Clamping Mechainism Design
Nach mehrjähriger Forschung und Praxis wurde GIDI Greiferkette nimmt zuverlässigeres klemmende Mechanismusdesign an, das höhere Leistung der Kette holt.
2.Unique Spring Design
Das Frühlingsdesign von GIDI Greiferkette ist einzigartig. Es ist aus hochwertigem Material gefertigt und besteht die sehr strenge Druckprüfung. Alle diese garantieren eine hervorragende und dauerhafte Klemmleistung.
3.Incomparable Kosten-Leistungs-Verhältnis
Mit über 20 Jahren Erfahrung in Design & Fertigung Edelstahlketten.GIDI entwickelt sich Greiferkette mit einrichtung und denken mehr für kunden.GIDI Greiferkette wird sicherlich Ihre Wettbewerbsfähigkeit durch die folgenden Aspekte stärken:
Senken Sie Ihre Einkaufskosten.
Geringere Wartungskosten.
Erhöhte Betriebszeit
Erhöhte Produktivität.
4.Anwendungsbereich
Essen: Schinken, Asusage, Käse, Brot
Elektrischen Draht
Medizin: Injektionsspritze, Pharma,
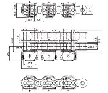
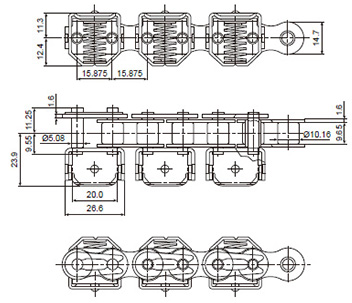
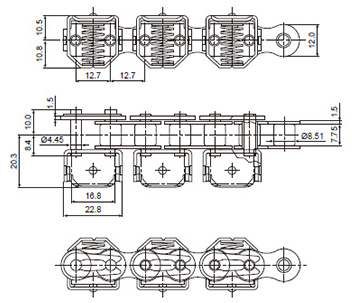
Folgen Sie Zeichnung sind vier Haupttypen von Edelstahl-Greiferkette.
| A.GIDI-08B1-SS | B.GIDI-10B1-SS | |
| | |
| C.GIDI-08B2-SS | D.GIDI-10B2-SS | |
![]() | |
