Fertiger-Kette Die für die Asphaltmischung und Straßenverlegung verwendeten Industrien werden aus hochwertigen Materialien mit modernen Technologien hergestellt. Jede Verbindung des Produktionsprozesses wird vom Qualitätssicherungssystem des Werks genau überwacht. Durch die technische Zusammenarbeit mit Kunden und anhaltende Innovationen und Verbesserungen kann die hohe Qualität und die breite Produktpalette heute die vielfältigen Anforderungen der Asphaltmischung und Straßenverlegung vollständig erfüllen Maschinen und die Anforderungen des Kunden.
Straßenfertigerzubehör Fertiger Kette A5188/SGR188/C1594/P80F7 für die Bauindustrie.

| Kettennummer | Stellplatz P | Rollendurchmesser d1 (max) | Innenbreite b1 (min) | Pin dia. d2 (max) | Kettenbahntiefe h1 (max) | Plattentiefe h2 (max) | Reißfestigkeit Q | Ungefähres Gewicht. q |
| mm | mm | mm | mm | mm | mm | KN | kg / m | |
| A5188 | 66.27 | 28.58 | 23.80 | 12.60 | 29.50 | 28.80 | 133.50 | 6.14 |
| SGR188 | 66.27 | 22.23 | 26.50 | 11.10 | 29.50 | 28.80 | 143.00 | 6.83 |
| C1594 | 69.85 | 31.75 | 25.60 | 14.27 | 36.30 | 32.50 | 106.73 | 9.27 |

| Kette | Innenbreite | Pin dia. | Stiftlänge | Plattendicke | Plattenhöhe | Innenplattenmaß | Zugfestigkeit | Gewicht pro Meter | |
| P | b1 | d2 | L | T | h | a | b | Q | q |
| mm | mm | mm | mm | mm | mm | mm | mm | mm | kg / m |
| 75 | 32 | 14.27 | 54.2 | 5.6 | 36 | 34 | 14 | 100 | 7.18 |

| Kette | Breite zwischen Innenplatte | Bush dia. | Plattenhöhe | Pin-Abmessung | Abstreiferabmessungen | Zugfestigkeit | Gewicht pro Meter | ||
| P | b1 | D | h | L | d2 | W | F | Q | q |
| mm | mm | mm | mm | mm | mm | mm | KN | kg / m | |
| 80 | 35 | 36 | 45 | 74.38 | 17.46 | 575 | 449 | 300 | 33 |

| P | D | b1 | d2 | L | h | T | Q |
| mm | mm | mm | mm | mm | mm | mm | KN |
| 78.1 | 31.75 | 31.75 | 15.88 | 89.65 | 38 | 15.88 | 213 |
| 78.1 | 31.75 | 31.4 | 15.88 | 89.2 | 38.1 | 15.88 | 265 |

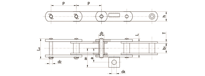
| Tonhöhe (Pitch) | Breite zwischen Innenplatte | Bush dia. | Plattenhöhe | Pin-Abmessung | Abstreiferabmessungen | Zugfestigkeit | Gewicht pro Meter | ||||
| P | b1 | d1 | h | L | Lc | d2 | a | a1 | d4 | Q | q |
| mm | mm | mm | mm | mm | mm | mm | mm | mm | mm | KN | kg / m |
| 80 | 35.8 | 26 | 45 | 72 | 77 | 15.9 | 56.9 | 81.9 | 20 | 190 | 9 |

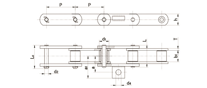
| Tonhöhe (Pitch) | Breite zwischen Innenplatte | Bush dia. | Plattenhöhe | Pin-Abmessung | Abstreiferabmessungen | Zugfestigkeit | Gewicht pro Meter | ||||
| P | b1 | d1 | h | L | Lc | d2 | a | a1 | d4 | Q | q |
| mm | mm | mm | mm | mm | mm | mm | mm | mm | mm | KN | kg / m |
| 80 | 33.8 | 27.94 | 45 | 70.4 | 76 | 15.9 | 56.5 | 81.5 | 22 | 190 | 10 |

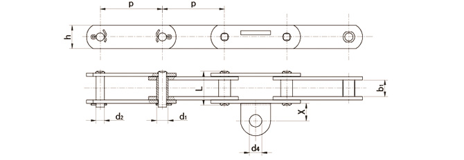
| Tonhöhe (Pitch) | Pin-Abmessung | Bush dia. | Breite zwischen Innenplatte | Innere Plattentiefe | Befestigungsmaß | Zugfestigkeit | Gewicht pro Meter | ||
| P | d2 | L | d1 | b1 | h | x | d4 | Q | q |
| mm | mm | mm | mm | mm | mm | mm | mm | KN | kg / m |
| 80 | 9.65 | 52 | 20 | 26 | 34 | 20 | 20 | 100 | 4.7 |

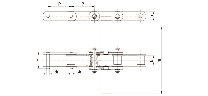
| Tonhöhe (Pitch) | Pin-Abmessung | Bush dia. | Breite zwischen Innenplatte | Innere Plattentiefe | Befestigungsmaß | Zugfestigkeit | Gewicht pro Meter | |
| P | d2 | L | d1 | b1 | h | W | Q | q |
| mm | mm | mm | mm | mm | mm | mm | KN | kg / m |
| 70 | 15.9 | 66 | 30 | 32 | 40 | 424 | 110 | 12.2 |