Doppelte Rollenkette, auch verlängert genannt Pitch-Förderrollenketten, sind gemäß ANSI B29.4 gebaut. Produkte mit Anbaugeräten werden häufig in Förderanwendungen eingesetzt, wenn die Lasten niedrig und die Geschwindigkeiten moderat sind. Zu den verfügbaren Varianten gehören Rollen mit größerem Durchmesser und Hohlstiftdesign. Diese Ketten Kann auch in Edelstahl-, vernickelten oder verzinkten Versionen (übergroß) geliefert werden Rollenkette kann Stahl oder technischer Kunststoff sein). Die Hauptspezifikation umfasst C2040, C2042, C2050, C2052, C2060H, C2062H, C2080, C2082, C2080H, C2082H usw.
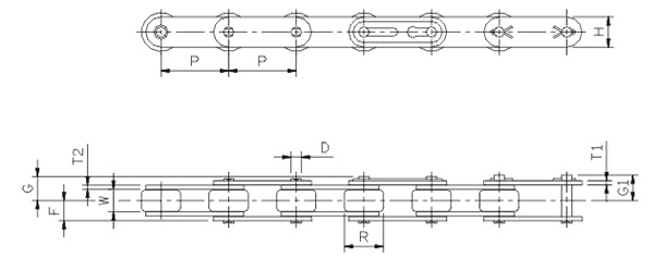
| KETTE NR. (ANSI) | Tonhöhe (Pitch) | Breite | Scooter | Plate | Pin | Durchschnittlich Ultimate Stärke kgf | Geschätztes Gewicht kg / m | |||||||
| P | W | Dia | Höhe | Dicke | Dia | Längen | ||||||||
| Zoll | mm | mm | R | H1 | H2 | T1 | T2 | D | F | G | G1 | |||
| A2040 | 1" | 25.40 | 7.94 | 7.92 | 10.10 | 11.70 | 1.50 | 1.50 | 3.96 | 8.20 | 9.35 | 10.10 | 1850 | 0.40 |
| A2050 | 1-1 / 4 " | 31.75 | 9.53 | 10.16 | 12.60 | 14.60 | 2.00 | 2.00 | 5.06 | 10.10 | 11.65 | 12.60 | 3100 | 0.66 |
| A2060 | 1-1 / 2 " | 38.10 | 12.70 | 11.91 | 15.00 | 17.10 | 2.40 | 2.40 | 5.95 | 12.50 | 14.15 | 15.40 | 4400 | 0.93 |

| KETTE NR. (ANSI) | Tonhöhe (Pitch) | Breite | Scooter | Plate | Pin | Durchschnittlich Ultimate Stärke kgf | Geschätztes Gewicht kg / m | ||||||
| P | W | Dia | Höhe | Dicke | Dia | Längen | |||||||
| Zoll | mm | mm | R | H | T1 | T2 | D | F | G | G1 | |||
| C2040 | 1" | 25.40 | 7.94 | 7.92 | 11.70 | 1.50 | 1.50 | 3.96 | 8.20 | 9.35 | 10.10 | 1850 | 0.49 |
| C2050 | 1-1 / 4 " | 31.75 | 9.53 | 10.16 | 14.60 | 2.00 | 2.00 | 5.06 | 10.10 | 11.65 | 12.60 | 3100 | 0.84 |
| C2060H | 1-1 / 2 " | 38.10 | 12.70 | 11.91 | 17.10 | 3.10 | 3.10 | 5.95 | 14.10 | 15.70 | 16.60 | 4400 | 1.45 |
| C2080H | 2" | 50.80 | 15.88 | 15.88 | 23.00 | 3.90 | 3.90 | 7.94 | 17.90 | --- | 20.80 | 8000 | 2.41 |
| C2100H | 2-1 / 2 " | 63.50 | 19.05 | 19.05 | 28.90 | 4.70 | 4.70 | 9.52 | 21.70 | --- | 24.90 | 12000 | 3.50 |
| C2120H | 3" | 76.20 | 25.40 | 22.20 | 35.00 | 5.60 | 5.60 | 11.10 | 26.98 | --- | 30.57 | 16000 | 6.00 |
| C2160H | 4" | 101.60 | 31.75 | 28.58 | 48.00 | 7.20 | 7.20 | 14.28 | 34.15 | --- | 38.85 | 27500 | 8.90 |
Doppelte Rollenkette (übergroße Rolle)
KETTE NR. | Tonhöhe (Pitch) | Breite | Scooter | Plate | Pin | Durchschnittlich | Geschätztes Gewicht | ||||||
P | W | Dia | Höhe | Dicke | Dia | Längen | |||||||
Zoll | mm | mm | R | H | T1 | T2 | D | F | G | G1 | |||
C2042 | 1" | 25.40 | 7.94 | 15.88 | 11.70 | 1.50 | 1.50 | 3.96 | 8.20 | 9.35 | 10.10 | 1850 | 0.86 |
C2052 | 1-1 / 4 " | 31.75 | 9.53 | 19.05 | 14.60 | 2.00 | 2.00 | 5.06 | 10.10 | 11.65 | 12.60 | 3100 | 1.32 |
C2062H | 1-1 / 2 " | 38.10 | 12.70 | 22.23 | 17.10 | 3.10 | 3.10 | 5.95 | 14.10 | 15.70 | 16.60 | 4400 | 2.17 |
C2082H | 2" | 50.80 | 15.88 | 28.58 | 23.00 | 3.90 | 3.90 | 7.94 | 17.90 | --- | 20.80 | 8000 | 2.87 |
C2102H | 2-1 / 2 " | 63.50 | 19.05 | 39.67 | 28.90 | 4.70 | 4.70 | 9.52 | 21.70 | --- | 24.90 | 12000 | 4.68 |
C2122H | 3" | 76.20 | 25.40 | 44.45 | 35.00 | 5.60 | 5.60 | 11.10 | 26.98 | --- | 30.57 | 16000 | 8.00 |
C2162H | 4" | 101.60 | 31.75 | 57.15 | 48.00 | 7.20 | 7.20 | 14.28 | 34.15 | --- | 38.85 | 27500 | 13.6 |
Was ist eine Doppelteilungskette?
Im Allgemeinen Förderketten werden über längere Strecken und mit geringerer Geschwindigkeit betrieben als Antriebsketten. Obwohl Bolzen, Buchsen und Rollen unverändert bleiben und die Laschenteilung verdoppelt wird, um die Anzahl der mit der Kette in Eingriff stehenden Kettenräder auf die Hälfte zu reduzieren, ist der Verschleiß von Bolzen, Buchsen und Rollen aufgrund der sehr niedrigen Kettengeschwindigkeit gering. Doppelte Ketten entsprechen dem ANSI-Standard und den Serien „Ultimate Daily Life Chain Series“ und „Environment Resistant Chain Series“, ebenso wie einfache Ketten.
Doppelte Teilungskette mit Harzrollen.
Hierbei handelt es sich um eine Double-Pitch-Kette mit R-Rolle aus Harz, die im Gegensatz zu Stahlrollen viel weniger Lärm und weniger Fett erzeugt. Somit eignet sich die Kette für einen Förderprozess, der auf einen geräuscharmen Betrieb und den Transport leichter Pfosten ausgelegt ist. Da die anderen Komponenten als die Rollen aus Stahl gefertigt sind, ist die typische Zugkraft der Harzrollenkette genau die gleiche wie die einer Stahlrollenkette. Dennoch muss die „maximal zulässige Belastung“ in der Kette niedriger gehalten werden, wie in der folgenden Tabelle gezeigt, um zu verhindern, dass Ihre Kunststoffrollen durch den Druck beim Eingriff mit den Kettenrädern beschädigt werden.
Die „Zulässige Belastung der Harzrollen“ bezieht sich auf die zulässige Belastung, die wirkt, wenn beförderte Pfosten auf die Harzrollen drücken, die über die Bodenoberfläche, wie z. B. Führungsschienen, laufen.
Massive Walze (R) und kleinere Walzen (S)
Angesichts der Tatsache, dass Ketten mit doppelter Teilung häufig für den Transport von Gegenständen auf einem horizontalen Boden verwendet werden, haben Ketten, die für diesen Zweck vorgesehen sind, einen größeren Rollendurchmesser, der dem von Ketten mit einfacher Teilung bei genau derselben Teilung entspricht, um die Tragfähigkeit zu verbessern und den Fahrwiderstand zu verringern. Diese Rollen mit größerem Außendurchmesser werden als „große Rollen“ bezeichnet, während die Standardrollen als „kleine Rollen“ bezeichnet werden.
In diesem Katalog werden große Walzen als R-Roller und kleinere Walzen als S-Roller bezeichnet.
Bezeichnung von Doppelketten
Die Bezeichnung einer Zweiteilungskette erfolgt, wie in der folgenden Abbildung, abhängig von der Nennnummer der Einfachteilungskette, auf der sie tatsächlich basiert.
Verbindungslinks
Bei den Verbindungsgliedern von Zweiteilungsketten aller Größen sind die Verbindungslaschen und Verbindungsbolzen spielpassend. Für C2060H oder kleinere Größen ist die Federklemmenart (R-Verbindungsglied) Standard. Für C2080H oder höher ist der Splinttyp (C-Verbindungsglied) normal. Es gibt möglicherweise auch Verbindungsglieder mit einem Anbaugerät, einer erstklassigen Rolle oder einer Seitenrolle.
Wofür wird eine Doppelteilungskette verwendet?
Double Pitch Rollenkette ist eine kostengünstige Option für leichtere Anwendungen, da sie mit der doppelten Teilung einer Standard-Rollenkette hergestellt wird, wodurch das Gesamtgewicht der Kette und der Preis reduziert werden
1. Ketten mit doppelter Teilung werden häufig zum Transport von Gegenständen auf einem horizontalen Boden verwendet. Ketten, die für diesen Zweck vorgesehen sind, haben einen größeren Rollendurchmesser, der dem von Ketten mit einfacher Teilung bei genau derselben Teilung entspricht, um eine bessere Tragfähigkeit und einen geringeren Fahrwiderstand zu erzielen
2. Kettenräder mit doppelter Teilung werden in Fördersystemen verwendet, die eine präzise Produktplatzierung erfordern
3. Ketten der Double Pitch Conveyor-Serie eignen sich ideal für leichte bis mittelschwere Materialtransportanwendungen
4. Ketten der Double Pitch Conveyor-Serie eignen sich ideal für leichte bis mittelschwere Materialtransportanwendungen. Diese Ketten ähneln Standardketten, außer dass die Laschen gerade sind und die Teilung doppelt so lang ist.
Doppelte Hohlbolzenrollenketten gibt es normalerweise nur in der Ausführung mit geraden Laschen als Buchsen- oder Rollenkette. Einer der Hauptvorteile hierbei ist, dass dielängere Teilung ermöglicht den Einbau von Transportrollen, was in vielen Anwendungen die Reibung und Zugkräfte innerhalb der Kette deutlich reduziert.
1. Das Zubehör für Förderketten mit einfacher Teilung wird hauptsächlich auf Ketten der A-Serie montiert, die Förderketten mit einer Teilung von 12.7–50.8 und einer „acht“-förmigen Kettenplatte ableiten. Die Kette unterstützt das Rollen auf der Schiene durch Rollen. Aufgrund des geringen Durchmessers der Rollen ist die Tragfähigkeit und Übertragungseffizienz nicht so gut wie bei den großen Rollen, sodass es nur für kleine Förderer mit geringer Belastung und kurzer Förderstrecke geeignet ist. Allerdings kann die Fördergeschwindigkeit höher sein, die Schlaggenauigkeit der Förderung ist besser und der Gesamtaufbau ist relativ kompakt.
2. Ketten und Kettenräder mit doppelter Teilung für die Übertragung und Förderung eignen sich für allgemeine mechanische Getriebe oder Ketten mit doppelter Teilung für die Förderung mit einer Teilung von 25.4 bis 76.2 mm. Die Double-Pitch-Kette ist eine leichte Kette, die durch die Verdoppelung der von der Short-Pitch-Kette angegebenen Teilung entsteht. Als Förderkette weist sie drei Strukturmerkmale im Vergleich zu einer Übertragungskette auf: (1) Die Form des Kettenstücks ist keine Acht, sondern gerade. (8) Das Ende der Kettenplatte ist fächerförmig, nicht a Halbkreis (2) Die Rolle ist vergrößert. Der große Rollensatz hat eine hohe Tragfähigkeit und Übertragungseffizienz.
Der Unterschied zwischen Einzeltonhöhe Rollenkette und Rollenkette mit doppelter Teilung;
Rollenketten werden in Rollenketten mit einfacher Teilung und Rollenketten mit doppelter Teilung unterteilt. In der täglichen Produktion ist der Unterschied zwischen Einfach- und Doppelrollenketten oft nicht bekannt. Lass uns genauer hinschauen.
1. Die Standard-Übertragungsrollenkette ist eine universelle Übertragungsrollenkette, die auf JIS- und ANSI-Spezifikationen basiert.
2. Die Plattenkette ist eine hängende Kette, die aus Kettenplatten und Stiftschäften besteht.
3. Edelstahlketten sind Edelstahlketten, die in besonderen Umgebungen wie Medizin, Wasser und hohen Temperaturen verwendet werden können.
4. Bei der Rostschutzkette handelt es sich um eine Kette mit einer vernickelten Oberfläche.
5. Die Standard-Zubehörkette ist eine Kette mit Zubehör, das zur Übertragung an der Standard-Rollenkette befestigt ist.
6. Hohlstiftwellenketten sind Ketten, die durch Hohlstiftwellen verbunden sind, und Zubehör wie Stiftwellen, Querstangen und dergleichen können je nach Kundenwunsch frei angebracht oder entfernt werden.
7. Doppelte Rollenkette (Typ A) ist eine Kette mit 2 Teilungen einer Standard-Rollenkette basierend auf JIS- und ANSI-Spezifikationen. Es handelt sich um eine langsame Übertragungskette mit geringem Gewicht und mittlerer Länge, die für Geräte mit großem Abstand zwischen den Wellen geeignet ist.
8. Doppelte Teilungsrollenkette (Typ C) ist eine Kette mit 2 Teilungen einer Standardrollenkette basierend auf JIS- und ANSI-Spezifikationen. Es wird hauptsächlich für die Übertragung und den Transport bei niedriger Geschwindigkeit verwendet. Es verfügt über Rollen vom Typ S mit Standarddurchmesser und Rollen vom Typ R mit großem Durchmesser.
9. Bei der Double-Pitch-Zubehörrollenkette handelt es sich um eine Kette mit an der Double-Pitch-Rollenkette befestigten Zubehörteilen, die hauptsächlich für den Transport verwendet wird.
10. Die ISO-B-Rollenkette ist eine Rollenkette basierend auf ISO 606-B. Großbritannien, Frankreich, Deutschland und andere Länder importieren mehr Produkte dieser Art.