Doppelte Förderrollenkette
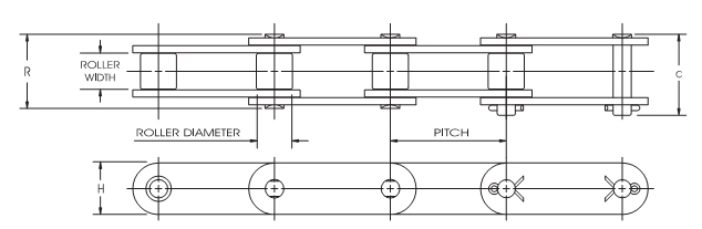
Produziert nach ASME / ANSI B29.4, diese Ketten werden in Förderanwendungen eingesetzt, wenn die Belastung gering und die Geschwindigkeit moderat sind. Sie ähneln den Double-Pitch- Kraftübertragungsketten, aber mit Verbindungsplatten, die eine ovale Kontur haben und entweder mit Standard- oder übergroßen Rollen hergestellt werden können. Sie arbeiten meistens an Förderbändern aller Formen und Größen und können mit einem oder mehreren unserer vielen Aufsätze zum Tragen geliefert werden oder Produkte vermitteln.


