Förderkette der Automobilfertigungsstraße ist usde für die Automobilproduktionslinie. Wir haben mehr als 12 Jahre Erfahrung in der Lieferung von Baugruppen für die Automobilproduktionslinie und verfügen über führende technische Überlegenheit auf dem Gebiet der Förderkette. Seit 12 Jahren bieten wir zahlreiche Automobilproduktionslinien an Förderketten für Peking HYUNDAI, Mazda und so weiter, insbesondere die Sprühlinie Kette, das bei Temperaturen bis zu 300 ° C lange zuverlässig läuft und eine lange Lebensdauer hat.



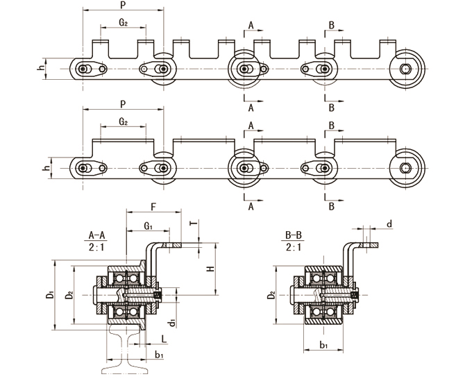
| Modell | Tonhöhe (Pitch) | Scooter | Pin | Plattenhöhe | Plattendicke | Breite zwischen Innenplatte | Anbauhöhe | Biegehöhe | Abstand der Befestigungslöcher | Lochabstand | Seitenrolle | Stregth | ||||||||||||
| P mm | D1 mm | D2 mm | L mm | d1 mm | h mm | T mm | b1 mm | H mm | F mm | G1 |
|
|
| d mm | D3 mm | L2 mm | Q KN | |||||||
| M80 | 80 | 100 | 125 | 160 | 200 | 250 | 315 | 65 | 50 | 6 | 12 | 36 | 6 | 27 | 65 | 160 | 96 | ![]() | ![]() | ![]() | 11 | 40 | 30 | 80 |
| M112 | 100 | 125 | 160 | 200 | 250 | 315 | 400 | 75 | 60 | 7 | 15 | 41 | 7 | 31 | 70 | 184 | 110 | ![]() | ![]() | ![]() | 14 | 40 | 30 | 112 |
| M160 | 125 | 160 | 200 | 250 | 315 | 400 | 500 | 90 | 70 | 8.5 | 18 | 51 | 8 | 36 | 80 | 200 | 124 | ![]() | ![]() | ![]() | 14 | 45 | 35 | 160 |
| M224 | 160 | 200 | 250 | 315 | 400 | 500 | 630 | 105 | 85 | 10 | 21 | 62 | 8 | 42 | 90 | 228 | 140 | ![]() | ![]() | ![]() | 18 | 50 | 35 | 224 |
| M315 | 200 | 250 | 315 | 400 | 500 | 630 | 125 | 100 | 12 | 25 | 72 | 10 | 47 | 100 | 250 | 160 | ![]() | ![]() | ![]() | 18 | 70 | 40 | 315 | |
| M450 | 200 | 250 | 315 | 400 | 500 | 630 | 800 | 150 | 120 | 14 | 30 | 82 | 12 | 55 | 115 | 280 | 180 | ![]() | ![]() | ![]() | 18 | 75 | 40 | 450 |
| M630 | 250 | 315 | 400 | 500 | 630 | 800 | 1000 | 175 | 140 | 16 | 36 | 103 | 14 | 65 | 130 | 380 | 230 |
| ![]() | ![]() | 24 | 90 | 50 | 630 |
| M900 | 315 | 400 | 500 | 630 | 800 | 1000 | 210 | 170 | 18 | 44 | 123 | 16 | 76 | 160 | 480 | 280 | ![]() | ![]() | ![]() | 30 | 90 | 50 | 900 | |

0
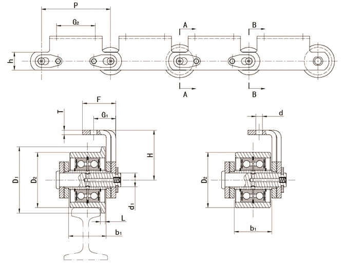
| Modell | Tonhöhe (Pitch) | Scooter | Pin | Plattenhöhe | Plattendicke | Breite zwischen Innenplatte | Anbauhöhe | Biegehöhe | Abstand der Befestigungslöcher | Lochabstand | Stregth | |||||||||||
| P mm | D1 mm | D2 mm | L mm | d1 mm | h mm | T mm | b1 mm | H mm | F mm | G1 |
|
|
| d mm | Q KN | |||||||
| M80 | 80 | 100 | 125 | 160 | 200 | 250 | 315 | 65 | 50 | 6 | 12 | 36 | 6 | 27 | 65 | 80 | 48 | ![]() | ![]() | ![]() | 11 | 80 |
| M112 | 100 | 125 | 160 | 200 | 250 | 315 | 400 | 75 | 60 | 7 | 15 | 41 | 7 | 31 | 70 | 82 | 55 | ![]() | ![]() | ![]() | 14 | 112 |
| M160 | 125 | 160 | 200 | 250 | 315 | 400 | 500 | 90 | 70 | 8.5 | 18 | 51 | 8 | 36 | 80 | 100 | 62 | ![]() | ![]() | ![]() | 14 | 160 |
| M224 | 160 | 200 | 250 | 315 | 400 | 500 | 630 | 105 | 85 | 10 | 21 | 62 | 8 | 42 | 90 | 114 | 70 | ![]() | ![]() | ![]() | 18 | 224 |
| M315 | 200 | 250 | 315 | 400 | 500 | 630 | 125 | 100 | 12 | 25 | 72 | 10 | 47 | 100 | 125 | 80 | ![]() | ![]() | ![]() | 18 | 315 | |
| M450 | 200 | 250 | 315 | 400 | 500 | 630 | 800 | 150 | 120 | 14 | 30 | 82 | 12 | 55 | 115 | 140 | 90 | ![]() | ![]() | ![]() | 18 | 450 |
| M630 | 250 | 315 | 400 | 500 | 630 | 800 | 1000 | 175 | 140 | 16 | 36 | 103 | 14 | 65 | 130 | 190 | 115 |
| ![]() | ![]() | 24 | 630 |
| M900 | 315 | 400 | 500 | 630 | 800 | 1000 | 210 | 170 | 18 | 44 | 123 | 16 | 76 | 160 | 240 | 140 | ![]() | ![]() | ![]() | 30 | 900 | |

| Modell | Tonhöhe (Pitch) | Scooter | Pin | Plattenhöhe | Plattendicke | Breite zwischen Innenplatte | Anbauhöhe | Biegehöhe | Abstand der Befestigungslöcher | Lochabstand | Stregth | |||||||||||
| P mm | D1 mm | D2 mm | L mm | d1 mm | h mm | T mm | b1 mm | H mm | F mm | G1 |
|
|
| d mm | Q KN | |||||||
| M80 | 80 | 100 | 125 | 160 | 200 | 250 | 315 | 65 | 50 | 6 | 12 | 36 | 6 | 27 | 65 | 45 | 25 | ![]() | ![]() | ![]() | 11 | 80 |
| M112 | 100 | 125 | 160 | 200 | 250 | 315 | 400 | 75 | 60 | 7 | 15 | 41 | 7 | 31 | 70 | 55 | 30 | ![]() | ![]() | ![]() | 14 | 112 |
| M160 | 125 | 160 | 200 | 250 | 315 | 400 | 500 | 90 | 70 | 8.5 | 18 | 51 | 8 | 36 | 80 | 55 | 35 | ![]() | ![]() | ![]() | 14 | 160 |
| M224 | 160 | 200 | 250 | 315 | 400 | 500 | 630 | 105 | 85 | 10 | 21 | 62 | 8 | 42 | 90 | 60 | 35 | ![]() | ![]() | ![]() | 18 | 224 |
| M315 | 200 | 250 | 315 | 400 | 500 | 630 | 125 | 100 | 12 | 25 | 72 | 10 | 47 | 100 | 60 | 40 | ![]() | ![]() | ![]() | 18 | 315 | |
| M450 | 200 | 250 | 315 | 400 | 500 | 630 | 800 | 150 | 120 | 14 | 30 | 82 | 12 | 55 | 115 | 72 | 50 | ![]() | ![]() | ![]() | 18 | 450 |
| M630 | 250 | 315 | 400 | 500 | 630 | 800 | 1000 | 175 | 140 | 16 | 36 | 103 | 14 | 65 | 130 | 90 | 60 |
| ![]() | ![]() | 24 | 630 |
| M900 | 315 | 400 | 500 | 630 | 800 | 1000 | 210 | 170 | 18 | 44 | 123 | 16 | 76 | 160 | 110 | 70 | ![]() | ![]() | ![]() | 30 | 900 | |

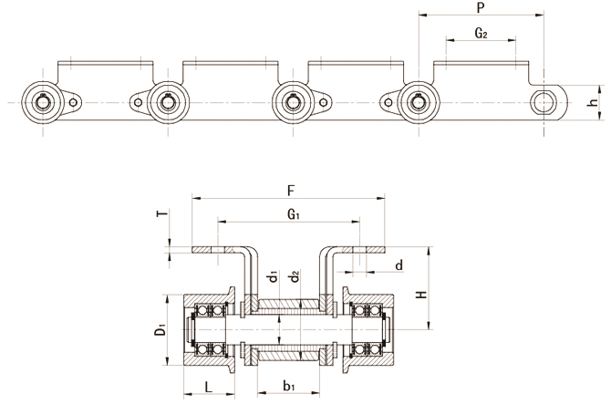
| Modell | Tonhöhe (Pitch) | Scooter | Pin | Plattenhöhe | Plattendicke | Breite zwischen Innenplatte | Anbauhöhe | Biegehöhe | Abstand der Befestigungslöcher | Lochabstand | Seitenrolle | Stregth | ||||||||||
| P mm | d2 mm | d1 mm | h mm | T mm | b1 mm | H mm | F mm | G1 |
|
|
| d mm | D3 mm | L2 mm | Q KN | |||||||
| M80 | 80 | 100 | 125 | 160 | 200 | 250 | 315 | 25 | 12 | 36 | 6 | 27 | 65 | 160 | 96 | ![]() | ![]() | ![]() | 11 | 35 | 30 | 80 |
| M112 | 100 | 125 | 160 | 200 | 250 | 315 | 400 | 30 | 15 | 41 | 7 | 31 | 70 | 184 | 110 | ![]() | ![]() | ![]() | 14 | 40 | 30 | 112 |
| M160 | 125 | 160 | 200 | 250 | 315 | 400 | 500 | 36 | 18 | 51 | 8 | 36 | 80 | 200 | 124 | ![]() | ![]() | ![]() | 14 | 45 | 35 | 160 |
| M224 | 160 | 200 | 250 | 315 | 400 | 500 | 630 | 42 | 21 | 62 | 8 | 42 | 90 | 228 | 140 | ![]() | ![]() | ![]() | 18 | 50 | 35 | 224 |
| M315 | 200 | 250 | 315 | 400 | 500 | 630 | 50 | 25 | 72 | 10 | 47 | 100 | 250 | 160 | ![]() | ![]() | ![]() | 18 | 70 | 40 | 315 | |
| M450 | 200 | 250 | 315 | 400 | 500 | 630 | 800 | 60 | 30 | 82 | 12 | 55 | 115 | 280 | 180 | ![]() | ![]() | ![]() | 18 | 90 | 40 | 450 |
| M630 | 250 | 315 | 400 | 500 | 630 | 800 | 1000 | 70 | 36 | 103 | 14 | 65 | 130 | 380 | 230 |
| ![]() | ![]() | 24 | 95 | 50 | 630 |
| M900 | 315 | 400 | 500 | 630 | 800 | 1000 | 85 | 44 | 123 | 16 | 76 | 160 | 480 | 280 | ![]() | ![]() | ![]() | 30 | 100 | 50 | 900 | |






Automobil-Produktionslinie Kette bezieht sich hauptsächlich auf alle Arten von Ketten befördern Wird in der Automobilherstellung als Logistikfördersystem verwendet. Je nach Kundenwunsch.
Für unterschiedliche Produktionsbereiche werden Ketten mit unterschiedlichen Ausführungen und unterschiedlichen Funktionen angeboten.
Alle Arten von Förderketten weisen folgende Eigenschaften auf:
1. Schwingstabkette: Das Design der externen Rollen- und Öleinspritzlochstruktur wurde übernommen, um einen stabilen Betrieb der Kette zu gewährleisten und ihre Lebensdauer zu verlängern.
2. Trockenraum-Leitungskette: Es wurde ein spezielles Design gewählt, um die Betriebsbedingungen einer hohen Temperatur von 250 °C zu erfüllen und den zuverlässigen Betrieb der Produktionslinie sicherzustellen.
3. Lackierstraßenkette: Hochwertige Materialien und Präzisionsfertigung werden ausgewählt, um dem Einsatz in bestimmten Umgebungen gerecht zu werden.
4. Laufmaschinenkette: speziell entwickelte hochfeste Rollenkette und Exzenterketten mit großer Teilung gewährleisten einen effizienten Betrieb verschiedener Produktionslinien.
5. Anti-Rutsch-Kette: Mit der rutschfesten Struktur kann das Herunterrutschen der Karosserie wirksam verhindert und ein sicherer Betrieb der Produktionslinie gewährleistet werden.
6. Schubkette: Durch optimiertes Design werden die Produkte häufig beim Lackieren, Schweißen, Trocknen und anderen Prozessen eingesetzt, um den reibungslosen Betrieb des Wagens zu gewährleisten, der die Karosserie auf der Strecke trägt.
7. Regenleinenkette: Hergestellt aus hochwertigem Edelstahl und Präzision. Es kann die Anforderungen eines Langzeitbetriebs in der Wasserumgebung erfüllen.
8. Fließbandkette: Entsprechend den Merkmalen der Produktionslinie umfassen die Hauptprodukte alle Arten von Zahnförderketten und Förderketten mit langer Teilung und einer Zugfestigkeit von über 45 °N.